
2039
982 au 01-06-2016
|
|

|
... 2012... 2013...
Reconstruction d'une chambre d'échos BINSON...
...du transistor à la lampe...
|
|
|
les composants d'origine |
|
le châssis mis à nu |
*
la reconstruction peut commencer :
sous le plateau
|
|
montage des supports de lampes |
|
alimentation et circuit oscillateur |
|
 |
|
 |
câblage sur barrettes à cosses |
|
vue d'ensemble des circuits électroniques |
|
|
|
|
|
|
|
 |
|
|
6 têtes calées à
110 - 200 - 280 - 355 -
425 - 600 m/sec |
|
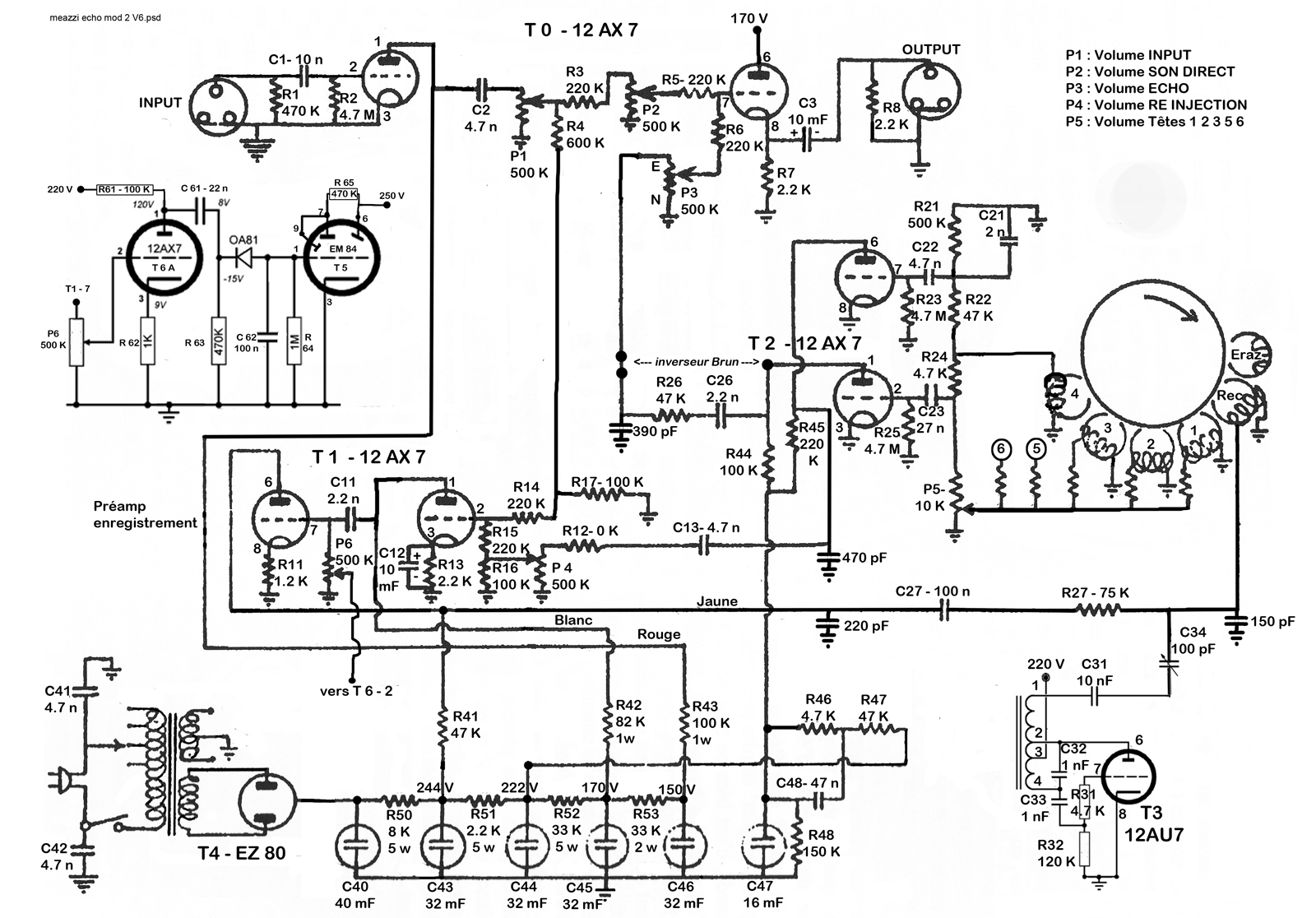
le schéma final du nouveau circuit :

*

(pour m'écrire, cliquez dans le cadre ci-dessous)
13-02-2013 - 24-08-2013
|